ASR Series
The ASR Series is an IP67 process sealed miniature rocker switch offering up to 3PDT with 6 functions. A wide variety of actuator styles are offered and terminal options include solder lug, PC pin, quick connect, horizontal mount right angle PC pin, vertical mount right angle PC pin, PC pin support bracket and snap-in support bracket. Gold contacts are also available.
Features
Miniature Size, IP67 Process Sealed, Up to 4 Poles with 6 Functions, Wide Variety of Actuator Styles, Gold Contacts Available
Specification
Electrical Ratings
5A@120VAC, 5A@28VDC, 2A@250VAC
Sealing Degree
IP67, Process Sealed
Number Of Poles
SPDT, DPDT, 3PDT
Latching Option
Multiple
Terminal Options
Solder Lug, PC Pin, Quick Connect, Horizontal Mount Right Angle PC Pin, Vertical Mount Right Angle PC Pin, PC Pin Support Bracket, Snap-In Support Bracket
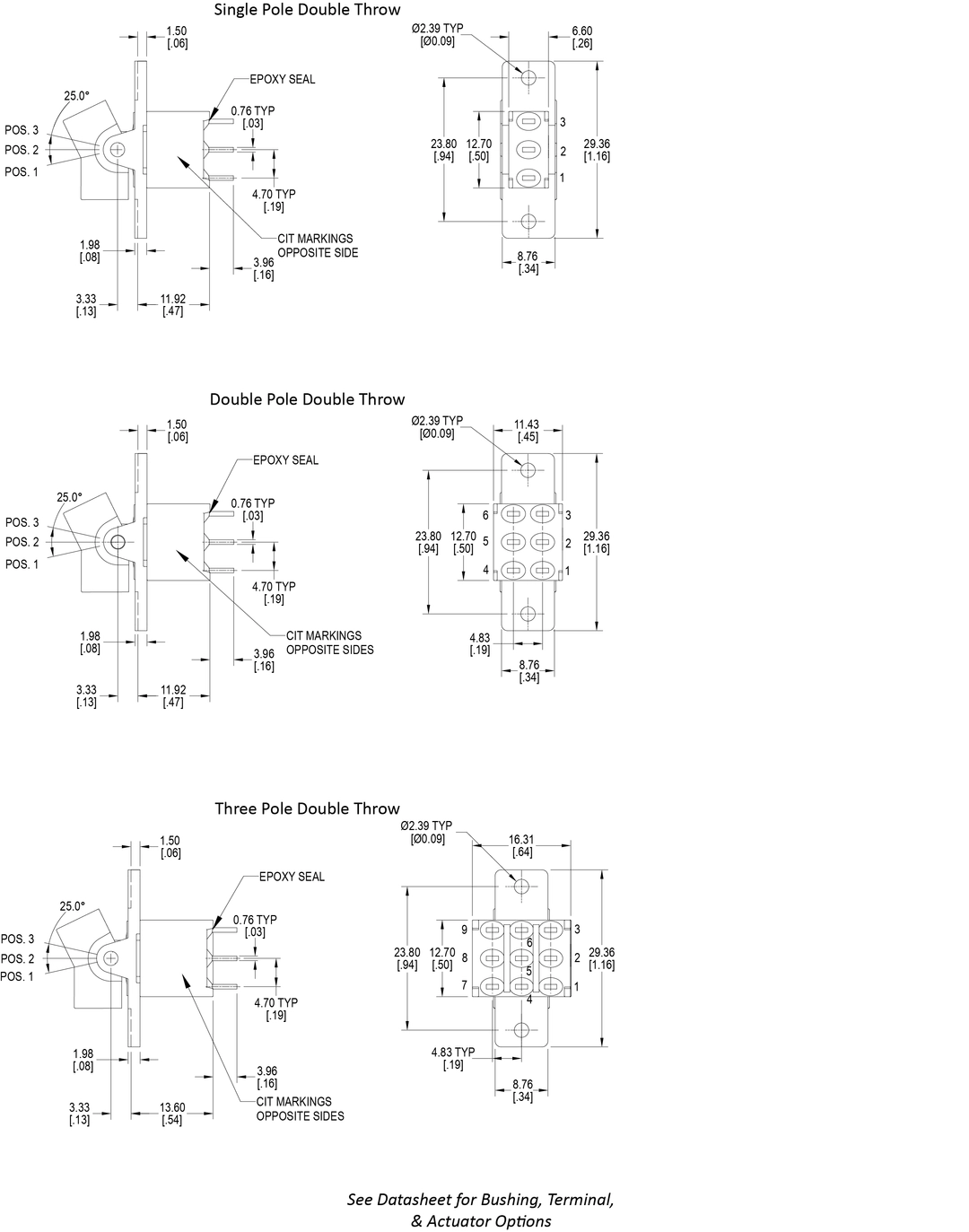
Dimensional Drawing




