RW Series
The RW Series rocker switch offers SPDT illumination. Multiple latching options are available with terminal options of quick connect/solder lug and multiple switch functions. Illumination options are neon or LED. The versatile RW series offers multiple housing color, actuator color, including colored transparent, actuator markings, and actuator marking color choices. IP40 standard sealing degree with optional IP65 Sealing Boot.
Features
Neon or LED Illumination Option, Multiple Printing Style Options, Multiple Color Options, IP40 or IP65 with Sealing Boot
Specification
Electrical Ratings
20A@120VAC, 16A@250VAC, 1hp@250VAC, 3/4hp@125VAC, UL61058-1
Sealing Degree
IP40, IP65 with Sealing Boot
Number Of Poles
DPDT
Latching Option
Multiple
Terminal Options
Quick Connect/Solder Lug
Illumination Options
125VAC Neon Bulb, 250VAC Neon Bulb, LED
LED Voltage
12VDC, 24VDC
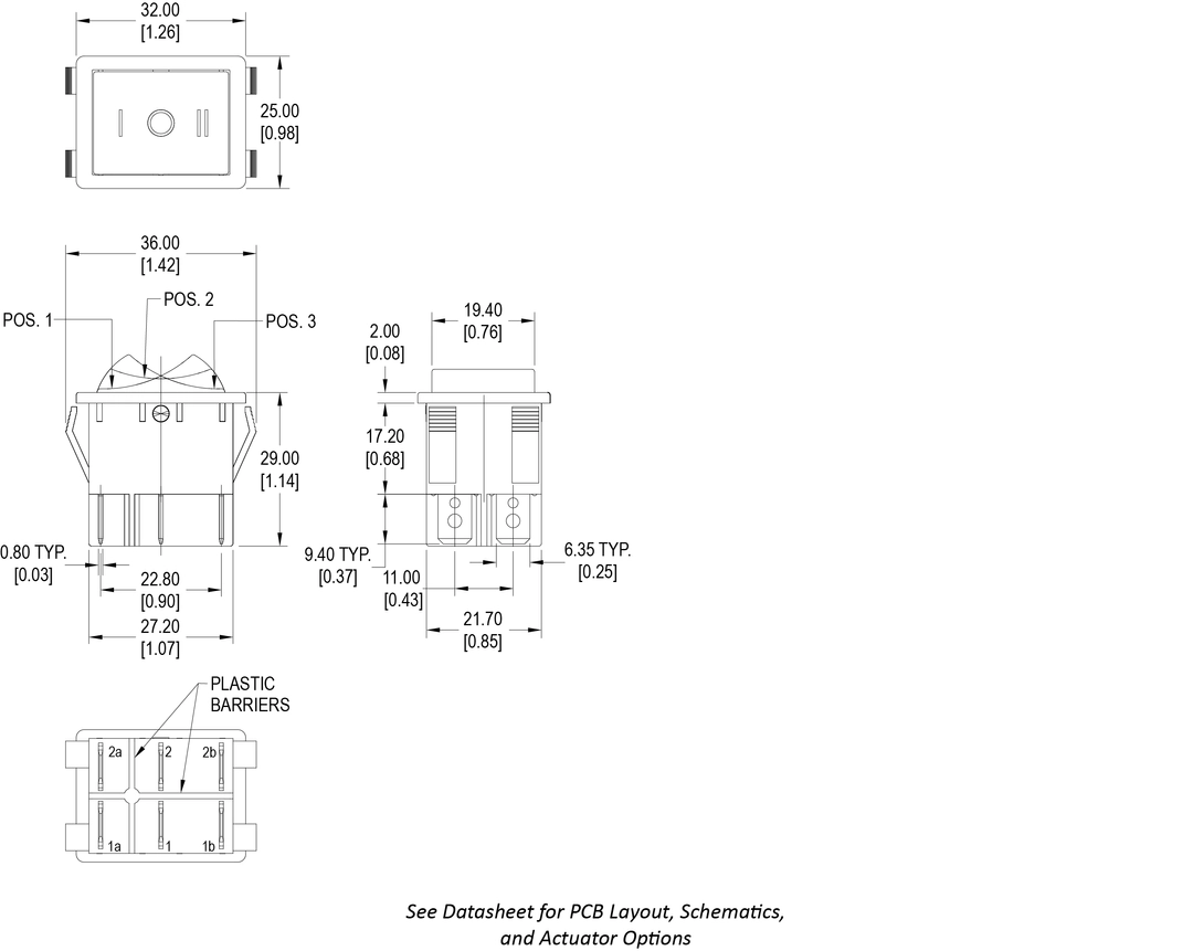
Dimensional Drawing




