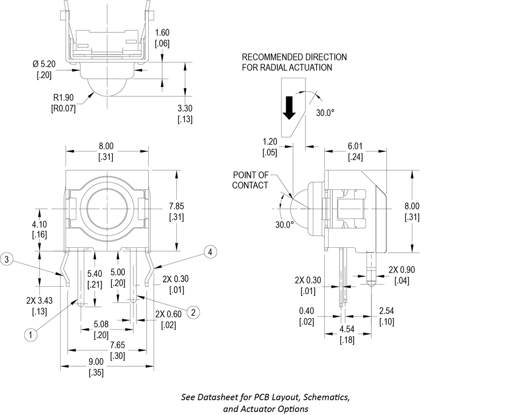
STJV Series
The STJV Series right angle tactile switch has through-hole termination with IP60 sealing degree. SPST and momentary, the STJV offers a multi-directional actuator with actuation force choices from 130gF up to 500gF. Actuation travel is 1.6mm. The STVJ series is available with gold or silver contact options.
Features
IP67 Process Sealed, Right Angle, Gold or Silver Contact Option, Multiple Actuation Force Options
Specification
Electrical Ratings
50mA@48VDC
Sealing Degree
IP67, Process Sealed
Number Of Poles
SPST
Latching Option
Momentary
Terminal Options
Right Angle Multi-Directional Actuator Process Sealed Through-Hole
Dimensional Drawing




