SS1 Series
Flush mount with ring illumination, our solid state SUS 316F stainless steel pushbutton SS1 Series switches are vandal resistant and are protected from water immersion. Impact resistance and protected against dust ingress, these rugged switches are designed to outlast anything you throw at them.
Features
Navigation, Momentary or Latching, 25mm, IP68 Sealing Degree, Stainless Steel SUS 316F, Vandal Proof, Ring Illumination
Specification
Sealing Degree
IP68, Process Sealed
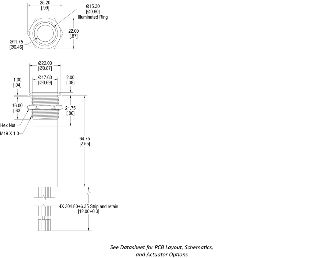
Body Diameter
19mm
Latching Option
Momentary, Latching, Navigation
Terminal Options
12" GXL Automotive Grade Wire
Illumination Options
LED
LED Voltage
Momentary & Laching : 6VDC~26.4VDC; Navigation : 6VDC~28VDC
Dimensional Drawing




