Specification
Contact Rating
40A@30VDC/240VAC resistive, 30A@30VDC/240VAC, resisitive, 20A@240VAC resisitive, 25A@277VAC resisitive, 30A@240/277VAC general purpose, 20A@240/277VAC general purpose, 5A@280VAC general purpose, 2hp@250VAC motor load, 1.5hp@250VAC motor load, 1hp@120VAC motor load, 5A@280VAC ballast, 30A@250/277VAC resisitive
Contact Forms
1A, 1B, 1C
Coil Voltage
3VDC, 5VDC, 6VDC, 9VDC, 12VDC, 15VDC, 18VDC, 24VDC, 28VDC, 48VDC, 110VDC
Mounting Methods
PC Pin
Agency Approvals
UL E93379
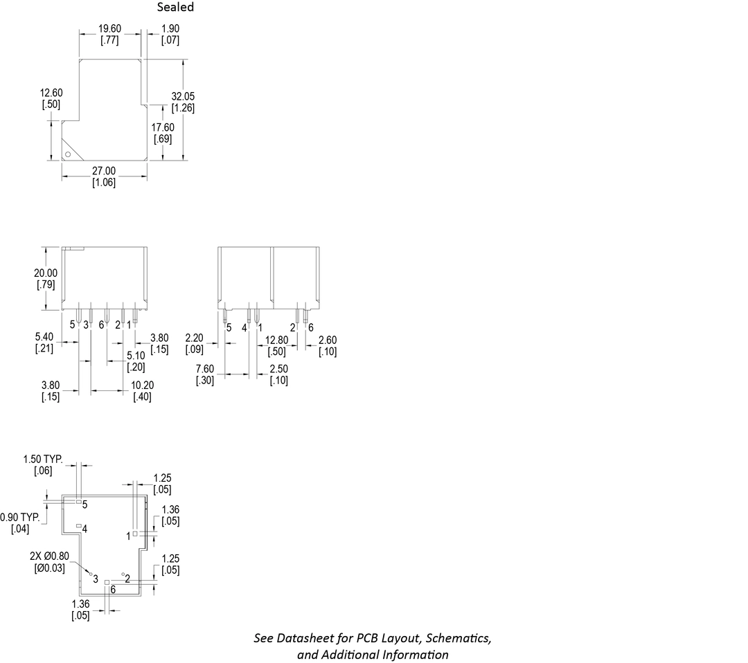
Dimensional Drawing

