Specification
Contact Rating
30A@250VAC general purpose, 20A@28VDC/277VAC general purpose, 30A@250VAC resistive, 20A@277VAC resistive, 1-1/2hp@240VAC motor load, 1hp@120VAC motor load
Contact Forms
2A, 2C
Coil Voltage
12VDC, 24VDC, 48VDC, 110VDC, 12VAC, 24VAC, 48VAC, 120VAC, 208VAC, 220VAC, 240VAC, 277VAC
Mounting Methods
PC Pin, Quick Connect
Agency Approvals
UL E86876
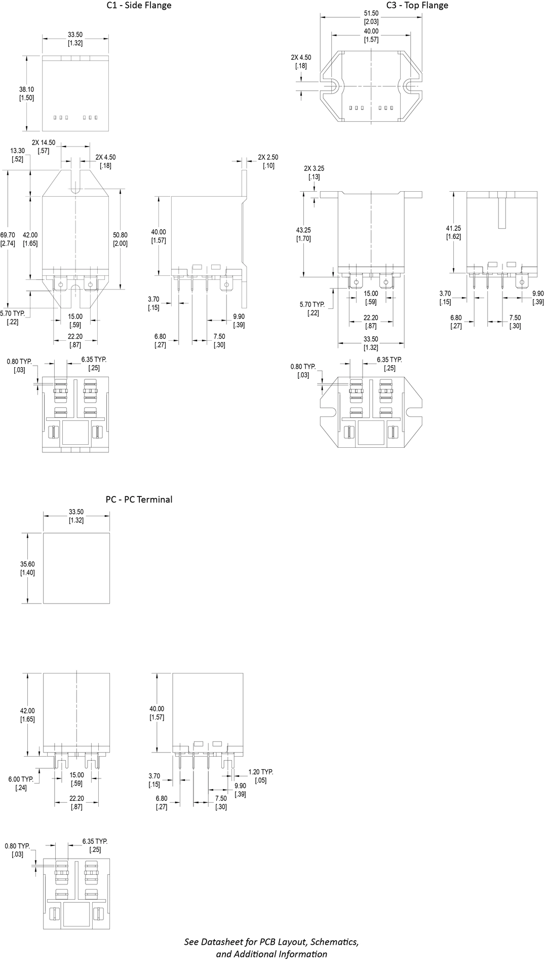
Dimensional Drawing

