Specification
Contact Rating
2C and 3C : 10A@28VDC/220VAC general purpose; 4C : 5A@28VDC/220VAC general purpose
Contact Forms
2C, 3C, 4C
Coil Voltage
12VDC, 24VDC, 110VDC, 12VAC, 24VAC, 120VAC, 220VAC
Mounting Methods
PC Pin, Quick Connect
Agency Approvals
UL E86876
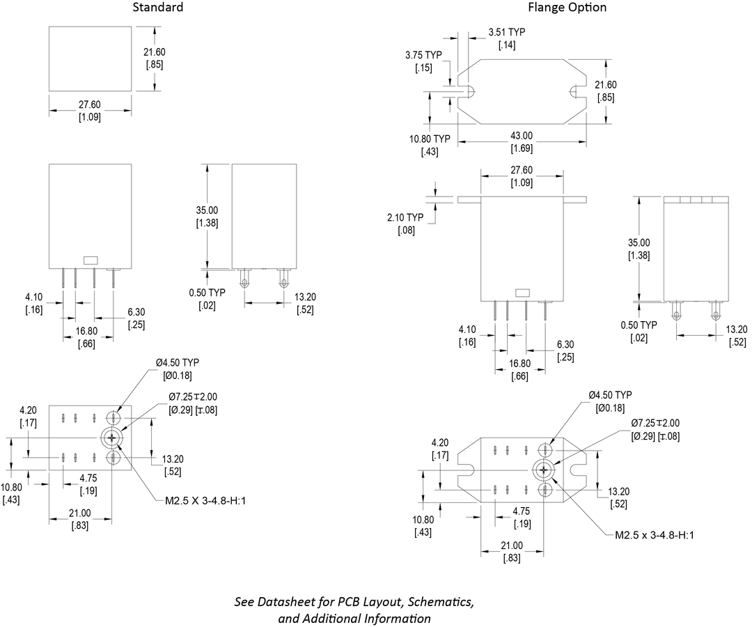
Dimensional Drawing

