J116F1 Series
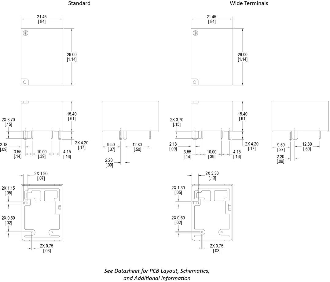
The J116F1 50amp Series relay offer the smallest size package available with the choice of standard PC pins or wide PC pin mounting. These relays offer 1A contact arrangement with coil voltage ranging from 5VDC up to 48VDC and coil power options of 0.9W or 1.5W. Dimensions are 29.0 x 21.5 x 15.3mm. UL Agency approval is E197852.
Features
50A in Industry’s Smallest Package, 5kV Dielectric Strength Between Contacts and Coil, Conforms to IEC61810-1 Reinforced Insulation, Withstands up to 8kV Surge Voltage per IEC61810-7
Specification
Contact Rating
50A@277VAC (1.5W only), 40A@277VAC Resistive, 30A@277VAC Resistive, 1hp@125VAC, TV-8@250VAC
Contact Forms
1A
Coil Voltage
5VDC, 6VDC, 12VDC, 24VDC, 48VDC
Coil Power
.9W, 1.5W
Mounting Methods
PC Pin, Wide PC Pin
Agency Approvals
UL E197852
Dimensional Drawing
