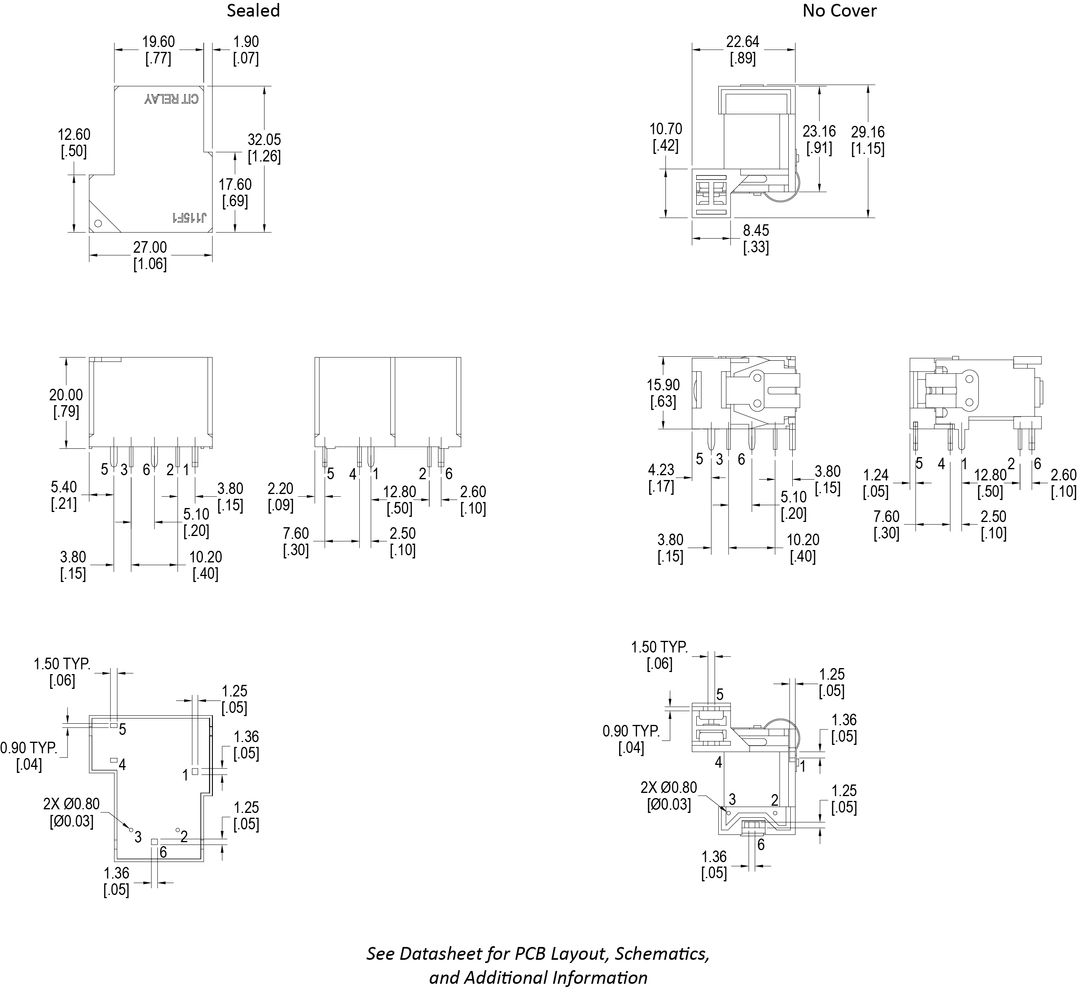
J115F1 Series
The J115F1 Series relay offers heavy contact load up to 40A in a light-weight and small size package. This PC pin mounted relay offers 1A, 1B or 1C contact arrangement with coil voltage ranging from 5VDC up to 277VAC with DC coil power of .60W or .90W and AC coil power of .2VA. Dimensions are 31.7 x 26.9 x 20.3mm. The J115F1 is available with or without a dust cover. Agency approval is UL E197852 and TÜV.
Features
40A Max Switching Current, F Class Insulation Standard, Light Weight and Small Size, Heavy Contact Load, Strong Shock and Vibration Resistance, UL/cUL and TUV Certified
Specification
Contact Rating
NO: 40A@240VAC Resistive, 20A@240VAC Resistive, 30A@277VAC General Purpose, 25A@277VAC Resistive, 5A@280VAC Ballast, 2hp@250VAC; 1hp@125VAC; NC: 30A@240VAC Resistive, 20A@240VAC General Purpose, 20A@277VAC General Purpose, 30A@30VDC Resistive, 20A@277VAC General Purpose, 1-1/2hp@250VAC, 1/4hp@125VAC
Contact Forms
1A, 1B, 1C
Coil Voltage
5VDC, 9VDC, 12VDC, 24VDC, 48VDC, 110VDC, 12VAC, 24VAC, 110VAC, 120VAC, 220VAC, 240VAC, 277VAC
Coil Power
DC: .60W, .90W; AC: 2VA
Mounting Methods
PC Pin
Agency Approvals
UL E197852 and TUV
Dimensional Drawing
