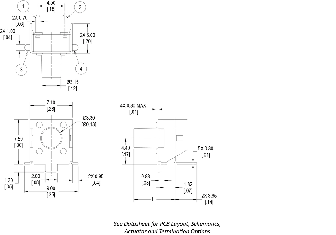
CS1102V Series
This is a right angle surface mount tactile switch with multiple actuator length options ranging from 3.15mm up to 11.85mm. Actuation force options are 100gF, 160gF and 260gF. The CS1102V offers silver-plated copper alloy termination materials.
Features
Surface Mount, Multiple Actuator Length Options, Multiple Actuator Force Options
Specification
Electrical Ratings
50mA@50VDC
Number Of Poles
SPST
Latching Option
Momentary
Terminal Options
Surface Mount
Dimensional Drawing




