AS Series
The AS Series Illuminated Indexing switch offers switching function of SPDT and DPDT at 90 degrees indexing and DPDT at 45 degrees indexing. With a stainless steel finish, the AS Series standard IP67 sealing degree with non-illuminated, single LED or bi-color LED illumination.
Features
45 and 90 Degree Options, Bi-Color LED Option, IP67 Sealing Standard, 2 and 3 Positions Available
Specification
Electrical Ratings
1A@24VDC, 1A@125VAC, 0.5A@250VAC
Sealing Degree
IP67, Process Sealed
Number Of Poles
SPDT, DPDT
Latching Option
Indexing
Terminal Options
Solder Lugs
Illumination Options
LED
LED Voltage
6VDC, 12VDC, 24VDC, 110VAC, 220VAC
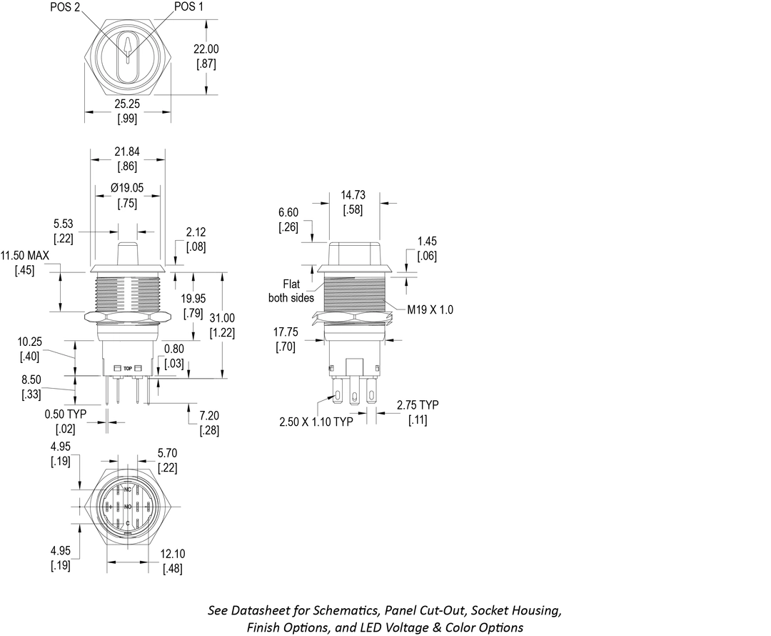
Dimensional Drawing
