A2H Series
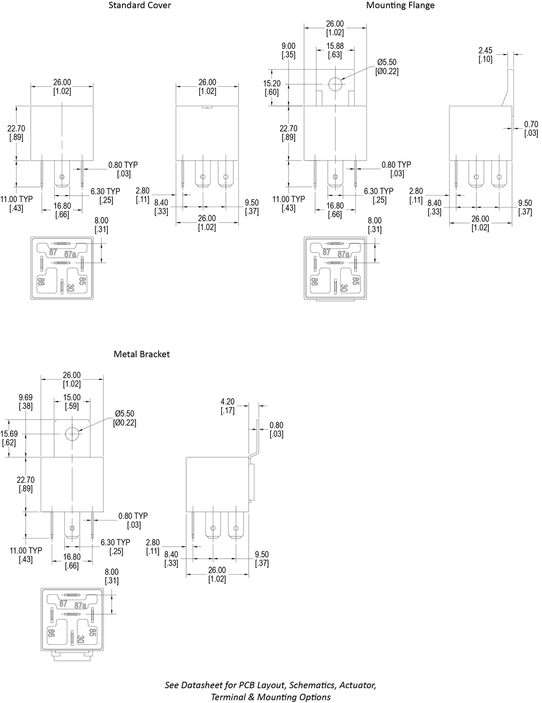
Low temperature rise is the hallmark of the the A2H Series. Available with switching capacity up to 50A and coil voltage of 12VDC or 24VDC. This ruggedly constructed automotive relay offers coil power of 1.6W with contact ratings choice of 1A or 1C. The A2H Series dimensions are 26.0 x 26.0 x 22.7mm.
Features
Large Switching Capacity up to 50A, PC Pin and Quick Connect Mounting, Low Temp Rise at Full Load, Two Style Mounting Flange Options
Specification
Contact Rating
1A: 50A@14VDC; 1C: 50A@14VDC NO and 30A@14VDC NC
Contact Forms
1A, 1C
Coil Voltage
12VDC, 24VDC
Coil Power
1.6W
Mounting Methods
PC Pin, Quick Connect
Dimensional Drawing
